11年專業銷售工程師-徐工
15年專業銷售工程師-謝工
9年專業銷售工程師-王工
6年銷售工程師-張工
項目產品選型、技術指導高級電器工程師-李工
| 分類 | |
| 品牌 |
| 分類 | |
| 品牌 |
| 分類 | |
| 品牌 |
| 分類 |
|
| 品牌 |
|
優勢一:廣州南創是一家大型傳感器、儀器儀表、工業備品備件供應商!中國傳感器聯合會誠信“AAA”級成員,多家世界知名傳感企業中國市場開拓核心合作伙伴;
優勢二:完善的全國銷售服務網絡:12個區域辦事處、20個分公司、遍布全國的售后服務網點,為您及時便捷實現上門無憂售后服務;
優勢三:為國內多家知名大中型工業企業、航天工業企業提供國際工業自動化控制檢測設備及工業稱重系統和傳感器設備儀表,緊密依托中科院及清華大學的技術支持合作交流。技術、產品可靠值得信賴;
優勢四:鄭重承諾:三個月內產品有質量問題無條件退換貨;
優勢五:資深工程師為您提供全方位完善的一條龍銷售服務指導,售前專業方案設計、產品選型指導,售中安裝調試,售后三年上門免費跟蹤維修服務;
優勢六:全國優勢價格支持銷售,凡在我們公司購買產品,如果同類產品高于主流市場價格,我們雙倍補還差價,性價比高!
優勢七:我公司在國外設有7個境外專業采購中心,保證原裝進口,貨期快捷,價格具有優勢,可靠、放心
優勢八:我公司代理經銷169個品牌,全國同類產品系列全、品種多、多家知名企業中國合作伙伴代理。
【廣州★南創】韓國Bongshin稱重傳感器【中國正式★總銷售商】提供OBBS-10kg波紋管傳感器_OBBS-50kg_OBBS-200kg稱重傳感器價格資訊及產品服務.
韓國Bongshin OBBS稱重傳感器是本公司的重點優勢產品之一,擁有絕對優勢價格,現貨、原裝、正品、可靠!保證滿意價格質量!
我們鄭重承諾:“三個月內不滿意隨時無條件退換貨,退還全部貨款,不收任何費用”。質保兩年,隨時免費維修!
產品名稱:OBBS-10kg波紋管傳感器_OBBS-50kg_OBBS-200kg傳感器
產品型號:OBBS-10kg、OBBS-50kg、OBBS-200kg
產品品牌:韓國Bonghin稱重傳感器
產品類型: Bongshin波紋管稱重傳感器 韓國稱重稱重傳感器
Bongshin OBBS稱重傳感器量程:OBBS-10kg, OBBS-20kg, OBBS-50kg, OBBS-100kg, OBBS-200kg, OBBS-500kg。

電話:020-82303306 FAX:020-82303511
手 機:82303306 高先生
Q Q:2270023960
企業郵箱:sales1@nchtech.com

Bongshin OBBS稱重傳感器產品描述:
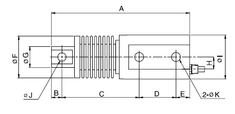
韓國Bongshin OBBS稱重傳感器屬于韓國波紋管稱重傳感器,量程范圍是10-500kg。熱銷型號是OBBS-10kg,OBBS-50kg,OBBS-200kg傳感器。
Bongshin OBBS稱重傳感器所有量程:
Bongshin OBBS-10kg稱重傳感器
Bongshin OBBS-20kg稱重傳感器
Bongshin OBBS-50kg稱重傳感器
Bongshin OBBS-100kg稱重傳感器
Bongshin OBBS-200kg稱重傳感器
Bongshin OBBS-500kg稱重傳感器
Bongshin OBBS稱重傳感器相關的其他產品型號:
CSDH-30T稱重傳感器_CSDH-50T_CSDH-100T傳感器
韓國Bongshin BCCU稱重傳感器_BCCU-10T傳感器
Bongshin CDFS稱重傳感器_CDFS-10kg傳感器
CBES-500kg CBES-1000kg傳感器 韓國Bongshin CBES-10T稱重傳感器
CSCK-30T CSCK-100T傳感器 韓國Bongshin CSCK-100T稱重傳感器
以上是韓國Bongshin OBBS稱重傳感器詳細信息,如果您對Bongshin OBBS稱重傳感器_OBBS-10kg傳感器的價格、廠家、型號、圖片有什么疑問,哪里有賣 Bongshin OBBS-200kg稱重傳感器,請 我們中國正式一級總銷售商獲取韓國Bongshin OBBS-50kg稱重傳感器最新信息。
歡迎來電咨詢專業負責原裝進口韓國Bongshin OBBS傳感器工程師:高先生
本站內容未經許可禁止復制轉載!©2002 廣州南創電子科技有限公司
聯系電話:020-82303306 公司傳真:020-82303511下班及雙休日請撥打各品牌負責人電話電話詳情
備案號: 粵ICP備11086172號-1