11年專業銷售工程師-徐工
15年專業銷售工程師-謝工
9年專業銷售工程師-王工
6年銷售工程師-張工
項目產品選型、技術指導高級電器工程師-李工
| 分類 | |
| 品牌 |
| 分類 | |
| 品牌 |
| 分類 | |
| 品牌 |
| 分類 |
|
| 品牌 |
|
優勢一:廣州南創是一家大型傳感器、儀器儀表、工業備品備件供應商!中國傳感器聯合會誠信“AAA”級成員,多家世界知名傳感企業中國市場開拓核心合作伙伴;
優勢二:完善的全國銷售服務網絡:12個區域辦事處、20個分公司、遍布全國的售后服務網點,為您及時便捷實現上門無憂售后服務;
優勢三:為國內多家知名大中型工業企業、航天工業企業提供國際工業自動化控制檢測設備及工業稱重系統和傳感器設備儀表,緊密依托中科院及清華大學的技術支持合作交流。技術、產品可靠值得信賴;
優勢四:鄭重承諾:三個月內產品有質量問題無條件退換貨;
優勢五:資深工程師為您提供全方位完善的一條龍銷售服務指導,售前專業方案設計、產品選型指導,售中安裝調試,售后三年上門免費跟蹤維修服務;
優勢六:全國優勢價格支持銷售,凡在我們公司購買產品,如果同類產品高于主流市場價格,我們雙倍補還差價,性價比高!
優勢七:我公司在國外設有7個境外專業采購中心,保證原裝進口,貨期快捷,價格具有優勢,可靠、放心
優勢八:我公司代理經銷169個品牌,全國同類產品系列全、品種多、多家知名企業中國合作伙伴代理。
【廣州★南創】有賣美國柯力(AMcells)LFSM-60T稱重傳感器,有關LFSM-60T傳感器詳細請點擊柯力稱重傳感器了解產品多少錢、價格如何、產品是否正品、質量是否有保證等問題都可電話咨詢020-82303306,我們絕對為您耐心解答,同時為您提供最好的產品和最優質的服務,歡迎來電。
LFSM-60T傳感器是輪輻式稱重傳感器,主要應用在測力機上面,LFSM-60T稱重傳感器有較大的量程和較強的抗壓力,能夠滿足大型稱重設備的需求,LFSM-60T稱重傳感器是一體成型設計的傳感器,合金鋼的機身和輪輻式結構讓它使用起來非常的方便和耐用。LFSM-60T稱重傳感器特點:
高精度
穩定性高、耐用、耐壓
合金鋼材料、可用性強
便于安裝、快速
量程較大最大100T
廣州南創長期供應美國(Amcells)柯力LFSM-60T稱重傳感器,歡迎各位采購商及經銷商前來詢價,我司承諾絕對原裝正品行貨,保證價格滿意,貨真價實、童叟無欺、歡迎前來訂購,訂購電話:
020-82303306
LFSM-60T傳感器型號:LFSM-50T LFSM-60T LFSM-100T
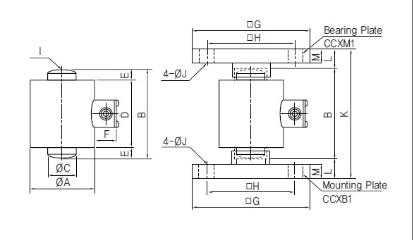
LFSM-60T傳感器圖片:




以上信息是廣州南創對美國柯力(Amcells)LFSM-60T稱重傳感器的介紹,我司主要經營的傳感器有:
稱重傳感器 壓力傳感器 位移傳感器 扭矩傳感器 力傳感器 進口稱重傳感器
托利多稱重傳感器 HBM傳感器 美國Transcell傳感器 世銓Celtron傳感器 進口傳感器 加速度傳感器
下一篇:寧波柯力DEG稱重傳感器
本站內容未經許可禁止復制轉載!©2002 廣州南創電子科技有限公司
聯系電話:020-82303306 公司傳真:020-82303511下班及雙休日請撥打各品牌負責人電話電話詳情
備案號: 粵ICP備11086172號-1