11年專業銷售工程師-徐工
15年專業銷售工程師-謝工
9年專業銷售工程師-王工
6年銷售工程師-張工
項目產品選型、技術指導高級電器工程師-李工
| 分類 | |
| 品牌 |
| 分類 | |
| 品牌 |
| 分類 | |
| 品牌 |
| 分類 |
|
| 品牌 |
|
優勢一:廣州南創是一家大型傳感器、儀器儀表、工業備品備件供應商!中國傳感器聯合會誠信“AAA”級成員,多家世界知名傳感企業中國市場開拓核心合作伙伴;
優勢二:完善的全國銷售服務網絡:12個區域辦事處、20個分公司、遍布全國的售后服務網點,為您及時便捷實現上門無憂售后服務;
優勢三:為國內多家知名大中型工業企業、航天工業企業提供國際工業自動化控制檢測設備及工業稱重系統和傳感器設備儀表,緊密依托中科院及清華大學的技術支持合作交流。技術、產品可靠值得信賴;
優勢四:鄭重承諾:三個月內產品有質量問題無條件退換貨;
優勢五:資深工程師為您提供全方位完善的一條龍銷售服務指導,售前專業方案設計、產品選型指導,售中安裝調試,售后三年上門免費跟蹤維修服務;
優勢六:全國優勢價格支持銷售,凡在我們公司購買產品,如果同類產品高于主流市場價格,我們雙倍補還差價,性價比高!
優勢七:我公司在國外設有7個境外專業采購中心,保證原裝進口,貨期快捷,價格具有優勢,可靠、放心
優勢八:我公司代理經銷169個品牌,全國同類產品系列全、品種多、多家知名企業中國合作伙伴代理。
0743稱重傳感器詳細信息請點擊:托利多稱重傳感器;可查找了解0743傳感器具體技術參數及相關系列產品型號等信息

產品品牌:梅特勒托利多Mettler Toledo 0743稱重傳感器
產品類別:單點式稱重傳感器
產品系列:0743稱重傳感器
產品價格:面議或電議
梅特勒托利多Mettler Toledo 0743稱重傳感器技術指標:
0743稱重傳感器型號Model No: 0743
托利多0743稱重傳感器30分鐘蠕動Creep, 30 minute %A.L. ≤ 0.0167
最小載荷輸出Min. Dead Load Output Return (DR), 30 min %A.L. ≤ 0.0167
溫度影響Temperature Effect on
額定容量Rated Capacity (R.C.) t nominal (lb) 9.07 (20000) 13.6 (30000) 20.4 (45000)
0743稱重傳感器額定輸出Rated Output mV/V @R.C. 2 ± 0.005
零點輸出Zero load Output %R.C. ≤ 1.5
梅特勒托利多0743稱重傳感器總誤差Combined Error 1) 2) %R.C. ≤ 0.018
重復性誤差Repeatability Error %A.L. 3) ≤ 0.01
最小載荷輸出Min Dead load Output %R.C./°C (../°F) ≤ 0.002 (0.001)
靈敏性Sensitivity 2) %A.L./°C (../°F) ≤ 0.0009 (0.0005)
0743稱重傳感器補償Compensated °C (°F) –10 to +40 (+14 to +104)
使用溫度范圍Temperature Range Operating °C (°F) –20 to +65 (–4 to +150)
Safe Storage °C (°F) –40 ~ +80 (–40 ~ +176)
0743稱重傳感器Class C3
OIML / European Approval 4) nmax 3000
最小載荷Min. dead load kg (lb) 50 (110) 100 (220)
終端電阻的激勵Terminal Resistance Excitation Ω 380±20 2200 ± 100
0743稱重傳感器終端電阻輸出Terminal Resistance Output Ω 350 ± 2 2000 ± 20
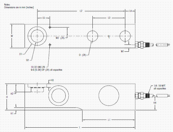
0743稱重傳感器選型圖:



梅特勒托利多0743稱重傳感器主要特征:
0743 是一款剪切梁的傳感器
全不銹鋼材質
常用于防爆,惡劣的工業環境
中型罐體的稱量
0743傳感器全密封焊接
0743稱重傳感器標準量程為9t, 13.6t, 20.4t。
防護等級IP68,具有較好的防水防濕功能
0743稱重傳感器最大稱量值 9, 13.6, 20.4 t
20, 30, 45 klb
OIML C3 R60 3000d
NIST Class III 5000d
ATEX Zone 1/2, 21/22
FM Factory Mutual, Class I,II,II Div 1&2
0743稱重傳感器應用 惡劣環境下的罐體稱重
危險區域(防爆)認證 ATEX, Factory Mutual
規格 - 0743-不銹鋼激光焊接防爆密封傳感器
METTLER TOLEDO(梅特勒托利多)0743系列不銹鋼焊接密封傳感器:
0743-20klb 0743-20klb 0743-45klb 0743-9t 0743-13.6t 0743-20t
0743稱重傳感器產品特性描述:
0743稱重傳感器屬于不銹鋼剪切梁的傳感器,托利多0743傳感器激光焊接密封,常用于防爆,惡劣的工業環境,最大稱量值 9t, 13.6,t 20.4 t幾個量程,適用于工業中的灌體稱重、料斗秤、稱重控制系統。Mettler Toledo 0743稱重傳感器全部產品型號:0743-9t,0743-13.6t,0743-20.4t。
上一篇:MT1022稱重傳感器特勒托利多
下一篇:SSH稱重傳感器梅特勒托利多
本站內容未經許可禁止復制轉載!©2002 廣州南創電子科技有限公司
聯系電話:020-82303306 公司傳真:020-82303511下班及雙休日請撥打各品牌負責人電話電話詳情
備案號: 粵ICP備11086172號-1