11年專業銷售工程師-徐工
15年專業銷售工程師-謝工
9年專業銷售工程師-王工
6年銷售工程師-張工
項目產品選型、技術指導高級電器工程師-李工
| 分類 | |
| 品牌 |
| 分類 | |
| 品牌 |
| 分類 | |
| 品牌 |
| 分類 |
|
| 品牌 |
|
優勢一:廣州南創是一家大型傳感器、儀器儀表、工業備品備件供應商!中國傳感器聯合會誠信“AAA”級成員,多家世界知名傳感企業中國市場開拓核心合作伙伴;
優勢二:完善的全國銷售服務網絡:12個區域辦事處、20個分公司、遍布全國的售后服務網點,為您及時便捷實現上門無憂售后服務;
優勢三:為國內多家知名大中型工業企業、航天工業企業提供國際工業自動化控制檢測設備及工業稱重系統和傳感器設備儀表,緊密依托中科院及清華大學的技術支持合作交流。技術、產品可靠值得信賴;
優勢四:鄭重承諾:三個月內產品有質量問題無條件退換貨;
優勢五:資深工程師為您提供全方位完善的一條龍銷售服務指導,售前專業方案設計、產品選型指導,售中安裝調試,售后三年上門免費跟蹤維修服務;
優勢六:全國優勢價格支持銷售,凡在我們公司購買產品,如果同類產品高于主流市場價格,我們雙倍補還差價,性價比高!
優勢七:我公司在國外設有7個境外專業采購中心,保證原裝進口,貨期快捷,價格具有優勢,可靠、放心
優勢八:我公司代理經銷169個品牌,全國同類產品系列全、品種多、多家知名企業中國合作伙伴代理。
奧地利E+E EE671 HVAC用微型風速變送器更多產品詳細資料請點擊:E+E風速變送器,進入頁面可查找奧地利E+E HVAC用微型風速傳感器型號技術參數選型資料,以及E+E EE671 HVAC用微型風速變送器具體安裝技術指導信息。
產品英文名稱:奧地利E+E EE671 HVAC用微型風速傳感器、 EE671 HVAC用微型風速變送器
產品品牌:奧地利E+E
產品價格:電話咨詢報價(020-82303306)
購買奧地利E+E EE671 HVAC用微型風速傳感器請務必認準【廣州★南創】銷售商官網,全國服務電話:020-82303306,我們鄭重承諾:“三個月內不滿意隨時無條件退換貨, 退還全部貨款,不收任何費用,質保兩年,提供終身免費維護!”
供貨商:廣州南創電子科技有限公司
產品型號:EE671 HVAC用微型風速傳感器 變送器
產品系列:EE671 HVAC用微型風速傳感器 變送器
產品種類:HVAC用微型風速傳感器 變送器
產品規格:(多系列多個規格可選)



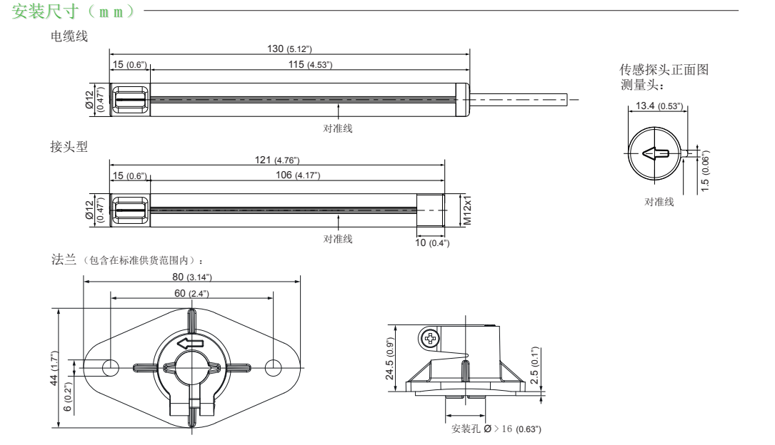
奧地利EE671 HVAC用微型風速傳感器其風速測量范圍最高可達20m/s,模擬輸出方為0-1V,0-5V或0-10V的標準電壓信號。產品的包裝盒內配有標準的安裝法蘭。安裝法蘭用于現場風速變送器的快速安裝,同時,應確保探桿上的風速流向標記和風道中的實際風流方向相一致。另外,安裝法蘭可方便調節變送器探頭的插入深度。
奧地利E+E EE671 HVAC用微型風速變送器用于HVAC暖通空調系統、流量監測和控制、烘箱入口空氣監測。
以上是奧地利E+EHVAC用微型風速傳感器產品相關銷售商官網、E+EHVAC用微型風速變送器器廠家電話、EE671 HVAC用微型風速傳感器型號類別技術參數選型安裝等資料信息,如果有關E+E傳感器其他相關方面需要,可直接電話聯系奧地利E+E EE671 HVAC用微型風速傳感器相關負責工程師咨詢020-82303306。
【廣州★南創】:銷售奧地利E+E EE671 HVAC用微型風速變送器 傳感器【銷售商】價格好:320元、電話020-82303306可了解奧地利E+E EE671 HVAC用微型風速傳感器多少錢中國官網、廠家、及產品報價等信息 。
本站內容未經許可禁止復制轉載!©2002 廣州南創電子科技有限公司
聯系電話:020-82303306 公司傳真:020-82303511下班及雙休日請撥打各品牌負責人電話電話詳情
備案號: 粵ICP備11086172號-1